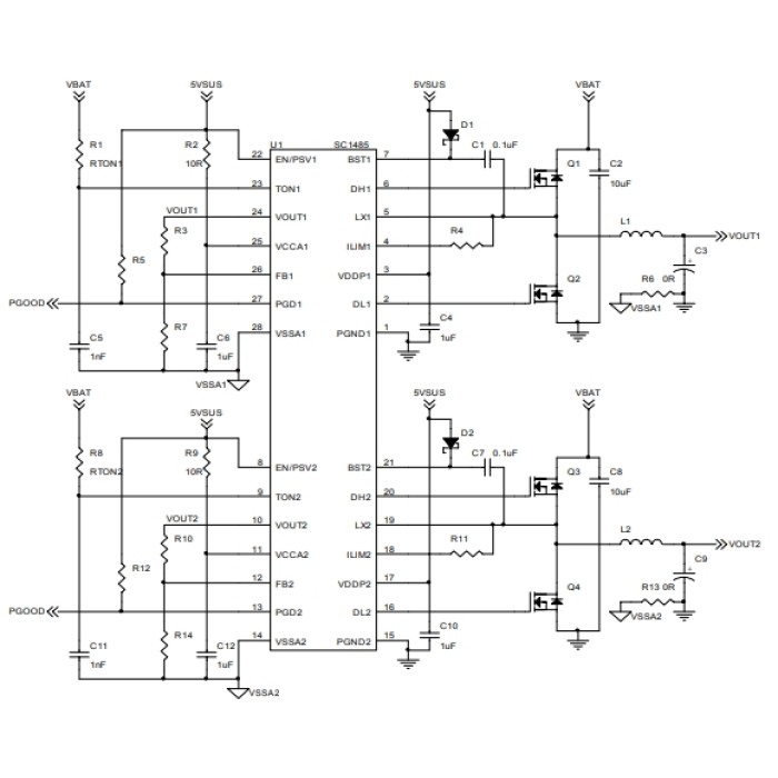
SC1485(SC1485ITS)
Наличие:
Нет в наличии
Код Товара: 27415-01
Артикул: 11616
290.00р.
Без НДС: 290.00р.
Нашли дешевле ?
Краткое описание
SC1485(SC1485ITS)... Читать далее...
SC1485(SC1485ITS)








